Fundamental Technologies

Voyager LECP Pages

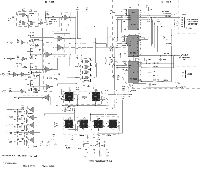
Schematic PHA 1550

Overview or thumbnail below. Click here for PDF file (large).

Return to Voyager LECP Data Analysis Handbook Table of Contents.
Return to Fundamental Technologies Home Page.

Last modified 6/20/03, Tizby Hunt-Ward
tizby@ftecs.com

Figure reconstruction by T. Manweiler.